Faktor 5 adalah salah satu produk inovatif dari Goldhofer, yang dikenal sebagai jembatan girder tinggi (high girder bridge). Produk ini dirancang untuk mengangkut beban berat yang sangat besar, seperti transformator, generator, atau komponen industri lainnya. Berikut adalah detailnya:

Faktor 5 digunakan untuk transportasi beban berat yang memerlukan stabilitas tinggi dan distribusi beban yang merata, terutama pada infrastruktur yang sensitif seperti jembatan atau tanah yang tidak stabil.
Faktor 5 bekerja dengan menggunakan balok lateral (lateral beam) yang mendistribusikan beban secara merata ke seluruh sistem. Sistem ini biasanya dipasang pada trailer hidrolik multi-axle untuk memastikan stabilitas dan kemampuan manuver yang optimal.

Desain Faktor 5 dari Goldhofer menonjol karena menggabungkan efisiensi, fleksibilitas, dan keamanan dalam transportasi beban berat. Struktur modularnya memungkinkan penyesuaian dimensi sesuai kebutuhan muatan, menghadirkan fleksibilitas tinggi untuk berbagai jenis barang yang diangkut. Balok lateral yang inovatif mendistribusikan beban secara merata ke seluruh sistem, sehingga mengurangi tekanan pada infrastruktur seperti jalan dan jembatan.
Selain itu, material berkekuatan tinggi namun ringan memastikan rasio payload-to-dead weight yang optimal, memungkinkan pengangkutan muatan hingga 500 ton. Faktor 5 juga dilengkapi dengan sistem hidrolik canggih untuk menyesuaikan ketinggian dan stabilitas selama perjalanan, bahkan pada medan sulit.
Jembatan Girder: Solusi Khusus untuk Transportasi Transformer dan Beban Berat
Dalam dunia transportasi, terdapat berbagai tantangan yang harus dihadapi, terutama ketika berkaitan dengan pengangkutan beban berat seperti transformator, generator, motor, dan komponen industri lainnya. Salah satu inovasi yang menghadirkan solusi efektif adalah Transport Girder FAKTOR 5 dan FAKTOR 5.5. Desain khusus ini tidak hanya dirancang untuk meningkatkan efisiensi transportasi, tetapi juga memastikan bahwa beban berat dapat diangkut dengan aman dan cepat.
Bisa Kombinasi dengan Trailer Modular
Transport girder ini dirancang untuk dapat dikonfigurasikan secara sinergis dengan trailer modular THP/SL, menjadikannya pilihan ideal untuk hampir semua jenis transportasi lain (misalnya Cometto, SPMT, K25, atau Nicholas). Dengan kapasitas beban yang mampu mengangkut 350 hingga 650 ton, jembatan ini memberikan solusi yang handal untuk berbagai operasi angkutan.

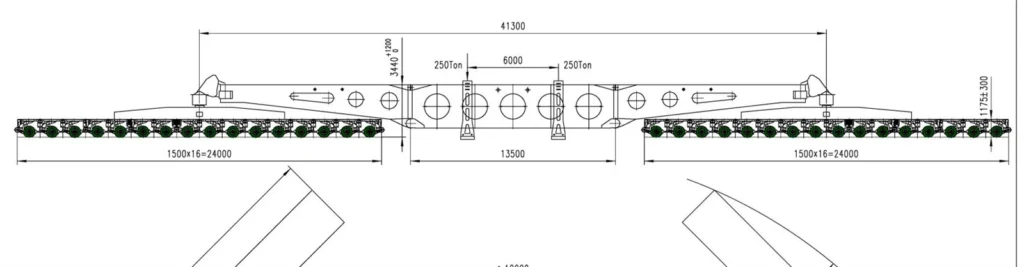
Salah satu fitur utama dari FAKTOR 5 adalah rasio antara beban dan bobot mati yang mencapai 5:1, memungkinkan pengangkutan hingga 500 ton. Transport Girder ini juga dilengkapi dengan sistem hidrolik yang dapat diandalkan, mampu beroperasi dengan tekanan maksimum 250 bar serta memiliki kemampuan lifting vertikal sebesar 1.80 m. Lebar muatan yang dapat disesuaikan mulai dari 3.00 hingga 6.75 m jelas memberikan fleksibilitas yang tinggi, sementara panjang muatan mencapai 11 hingga 17 m.
Transport girder ini telah dirancang untuk memudahkan mobilisasi dan pengiriman ekonomis dalam bentuk kontainer. Kemampuan kombinasi sumbu variabel dari 2 x 12 axle line hingga 2 x 20 axle line memberikan kebebasan tambahan dalam pengaturan muatan, tanpa batasan signifikan terhadap operasi pengangkutan beban besar.
Spesifikasi FAKTOR 5 dan FAKTOR 5.5
| Spesifikasi | FAKTOR 5 | FAKTOR 5.5 |
|---|---|---|
| Kapasitas Muatan | 500 ton | 350 ton |
| Tinggi Angkatan | 1.80 m | 1.60 m |
| Lebar Muatan | 3.00-6.75 m | 2.00-6.00 m |
| Panjang Muatan | 11.00-17.00 m | 11.00-17.00 m |
| Konfigurasi Sumbu | 2 x 12-2 x 20 | 2 x 10-2 x 16 |
| Desain | Desain tercontainer | Desain tercontainer |
Dalam Operasional FAKTOR 5 dan FAKTOR 5.5 adalah sistem penstabilan lateral dari pabrikan Goldhofer yang canggih dan sistem bracing silang yang cukup effesien. Hal ini memastikan bahwa pengangkutan dilakukan dengan stabil dan aman, bahkan dalam kondisi kritis seperti melintasi jembatan atau permukaan yang sensitif terhadap beban.
Dengan kombinasi teknologi mutakhir dan efisiensi biaya yang maksimal, transport girder ini menjadi kendaraan transportasi yang cerdas dan sangat diperlukan untuk kebutuhan khusus di industri berat. Selain itu, proses operasi yang sederhana dengan sistem yang telah terbukti menjadikan FAKTOR 5 dan FAKTOR 5.5 sebagai pilihan tepat bagi perusahaan yang perlu menghadapi tantangan transportasi berat dengan aman dan efisien.







di Indonesia belum ada yang punya Faktor 5, yang ada hanya transport girder lama yang dimiliki 3 transporter lama di Indonesia
pekerjaan di Luar Negeri ya Pak